Одноосевой поворотный стол большого диаметра ЧПУ CNC-1500HV GSA+
| Модель: | ![]() |
CNC-1500HV |
| Производитель: | ![]() |
GSA |
Поворотные столы большого диаметра могут устанавливаться как вертикально, так и горизонтально. Высокая точность и жесткость позволяют использовать столы и при силовом резании, и в метрологических целях.
Комбинация высокоточного червячного колеса из бронзо-никелевого сплава и стального закаленного червяка обеспечивают длительное сохранение точности позиционирования.
Многоточечная гидравлическая тормозная система обеспечивает превосходное усилие зажима, исключающее вибрацию при силовом резании. Параметры стола могут быть изменены по отдельному заказу.
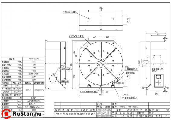
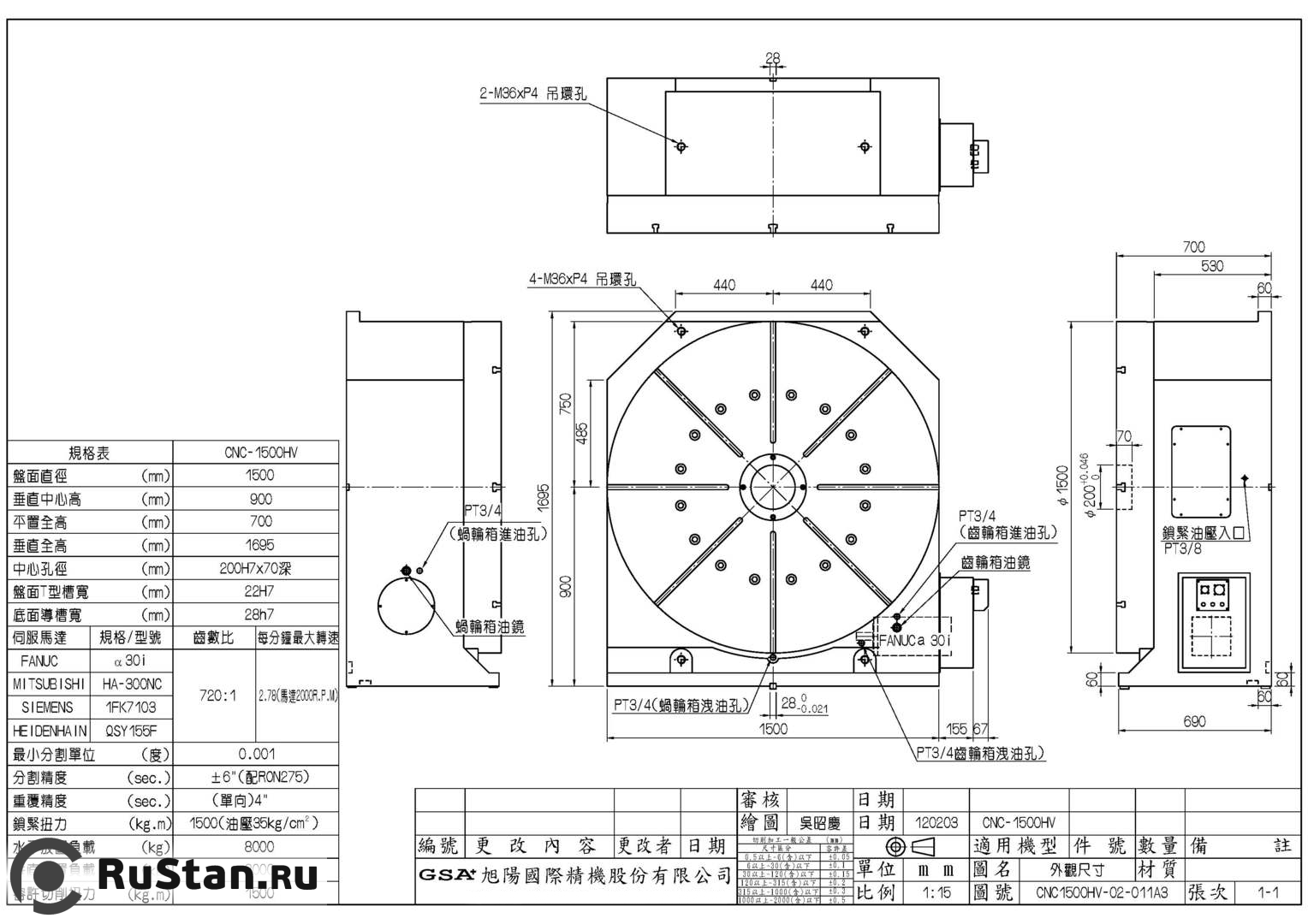
Технические характеристики CNC-1500HV | ||
|---|---|---|
| Параметр | Ед. изм. | Значение |
| Диаметр | мм | 1500 |
| Высота центров при вертикальной установке | мм | 900 |
| Высота центров при горизонтальной установке | мм | 700 |
| Общая высота при вертикальной установке | мм | 1695 |
| Вес CNC-1500HV нетто (без двигателя) | кг | 6000 |
| Центральное отверстие | мм | 200x70 |
| Ширина Т-пазов | мм | 22Н7 |
| Ширина направляющего сухаря | мм | 28Н7 |
| Сервомотор MELDAS | тип | HF-453S |
| Сервомотор FANUC | тип | a30i |
| Сервомотор SIEMENS | тип | 1FK7103 |
| Сервомотор HEIDENHAIN | тип | QSY155F |
| Передаточное число | 1:720 | |
| Минимальный угол | град | 0,001 |
| Максимальные обороты | об/мин | 2.78 |
| Усилие гидрозажима | кг*м | 15000 |
| Точность позиционирования (с энкодером) | ±5” | |
| Повторяемость (с энкодером) | с | 4” |
| Макс. усилие обработки | кг*м | 600 |
| Максимальные нагрузки | |||
|---|---|---|---|
| Параметр | Схема | Ед. изм. | Значение |
| Максимальная вертикальная нагрузка | ![]() | кг | W = 3000 |
| Максимальная горизонтальная нагрузка | ![]() | кг | W = 8000 |
| Максимальное радиальное усилие | ![]() | кг | F = 7000 |
| Максимальное радиальное усилие | ![]() | кг*м | FxL = 1500 |
| Максимальное радиальное усилие | ![]() | кг*м | FxL = 3000 |
Комментарии и вопросы:
Комментариев пока нет, но ваш может быть первым.Разметить комментарий или вопрос








